一、B2SV、B2HV、B2DV螺旋錐齒輪減速機概述
1)H、B齒輪箱采用通用設計方案,可按客戶需求變型為行業專用的齒輪箱。
2)實現平行軸、直交軸、立式、臥式通用箱體,零部件種類減少,規格型號增加。
3)采用吸音箱體結構、較大的箱體表面積和大風扇、圓柱齒輪和螺旋錐齒輪均采用先進的磨齒工藝,使整機的溫升、噪聲降低,運轉的可靠性得到提高,傳遞功率增大。
4)輸入方式:電機聯接法蘭、軸輸入。
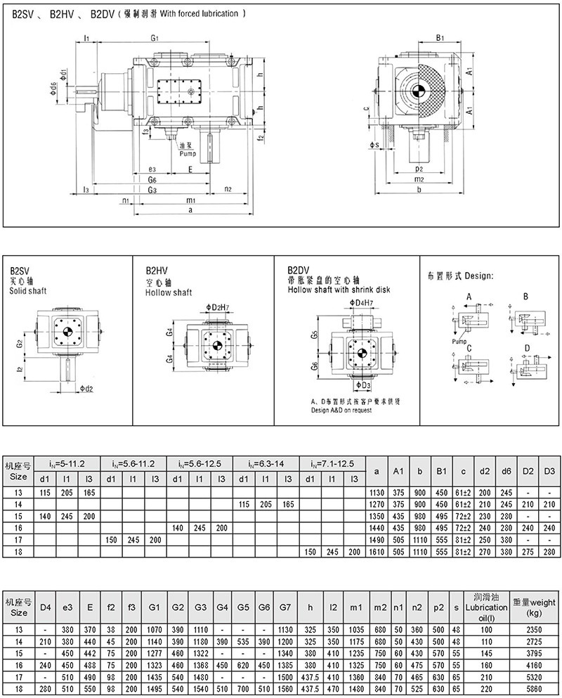
5)輸出方式:帶平鍵的實心軸、帶平鍵的空心軸、脹緊盤聯結的空心軸、花鍵聯結的空心軸、花鍵聯結的實心軸和法蘭聯結的實心軸。
6)安裝方式:臥式、立式、擺動底座式、扭力臂式。
7)H、B系列產品有3~26型規格:減速傳動級效有1~4級,速比1.25~450,和R、K、S系列組合得到更大的速比。
二、系列結構圖


