一、NAZF型齒輪減速機概述
新式NGW行星減速器包括NAD、NAZD、NBD、NBZD、NCD、NCZD、NAF、NBF、NCF、NAZF、NBZF十二個系列。
主要適用于治金礦山、運輸、建材、輕工、能源、交通等行業。
減速器的高速軸轉速按其規格為1500-600r/min。
減速器齒輪傳動的圓周速度,直齒輪不大于15m/s,斜齒輪不大于20m/s。
減速器工作環境溫度為-40℃~+45C℃,低于0℃時,啟動前潤滑油應預熱至10℃以上。
減速器可正反兩向運轉。
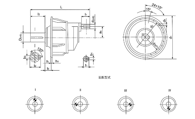
二、外形及安裝尺寸

三、規格參數
