一、DBY硬齒面減速機概述
硬齒面減速器主要包括平行軸系列和垂直軸系列,平行軸減速器是按國家標準(JB/T8853-2001)生產,產品經優化設計,具有國際先進水平,它主要包括ZDY(單級)、ZLY(兩級)、ZSY(三級)和ZFY(四級)四大系列,垂直軸減速器是按國家標準(JB/T9002-1999)生產,用于輸入軸與輸出軸呈垂直方向布置的傳動裝置,它主要包括DBY、DCY和DFY三大系列。
①性能特點
(1)中心距,公稱傳動比等主要參數均經優化設計,主要零、部件互換性好。
(2)齒輪均采用優質合金鋼經滲碳、淬火而成,齒面硬度達57~61HRC。
(3)體積小、重量輕、精度高、承載能力大、效率高,壽命長,可靠性高、傳動平穩、噪聲低。
(4)一般采用油池潤滑,自然冷卻,當熱功率不能滿足時,可采用循環油潤滑或風扇,冷卻盤管冷卻。
②應用范圍
(1)輸入轉速一般n1≤1500r/min。
(2)齒輪傳動圓周速度不大于20m/s。
(3)工作環境-40℃~50℃,如果低于0℃,啟動前潤滑油應預熱至0℃以上,本減速器可用于正反兩個方向運轉。
(4)廣泛應用于冶金、礦山、化工、建材、起重、運輸、紡織、造紙、儀器、塑料、橡膠、工程機械、能源等工業部門。
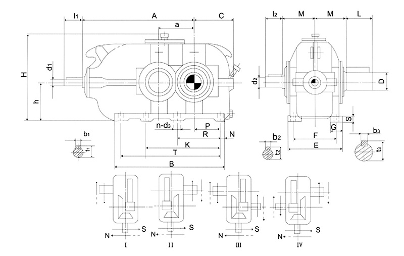
二、外形及安裝尺寸

三、規格參數
