一、TXLMC3RV 系列3級錐齒輪、輸出軸垂直安裝齒輪減速機簡介
太興隆人抱著振興民族工業的堅定信念以市場需求為產品設計的原動力吸取國際先進經驗;本著洋為中用以我為主的精神開發了TXLMC、TXLM、TXLCN高效重載型齒輪減速機以滿足不同用戶的合理選用。
TXLMC斜齒輪、斜齒輪一錐齒輪減逑機是新的緊湊型產品具有體積小、功率大、效率高、噪聲低等特點。整體結構的TXLMC箱體在高精度加工中心上一次加工成形齒輪采用優質低碳合金鋼經先進的加工工藝完成。零部件的模塊化達到了快速響應市場的目的能夠替代競爭者的減速機。
產品的優良品質加上用戶的精心選擇與合理使用等于產品高可靠性。愿我們的產品使您得到精神上的享受。
TXLMC系列有02-09共8個機座號可制成水平、垂直、豎立型式輸出轉矩5.6KN.m至64.4KN.m,是中等承載能力傳動裝置的最佳選擇。
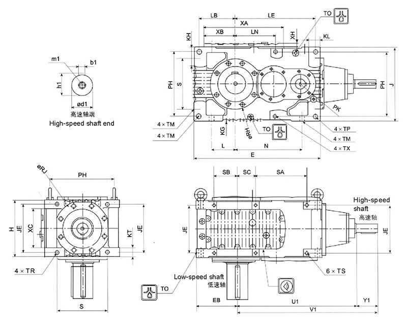
二、外形及安裝尺寸

三、規格參數
