一、QJYA2空心軸型減速機概述
QJY型系列減速器是工廠根據國內外市場要求開發的硬齒面(滲碳,淬火齒面)起重機減速器,包括三大類12種基本型式。
二、性能特點
(1)齒輪均采用優質低碳合金鋼,滲碳,淬火,齒輪精度6級。
(2)精度高,效率高,傳動平穩,噪音低,比調質齒輪減速器(QJ系列)體積小、重量輕、承載能力大、可靠性高。
(3)焊接箱體結構。安裝形式:三支點安裝和地腳安裝。
(4)輸出軸型式:平鍵,漸開線花鍵,齒輪軸端,空心軸四種。
(5)一般采用油池潤滑,自然冷卻,立式減速器采用循環油潤滑。
(6)采用滾動軸承。
三、應用范圍
1、輸入轉速一般n1≤1500r/min。
2、工作環境溫度-40℃~+50℃。
3、正反兩向運轉。
適合各種類型起重機減速器選用。
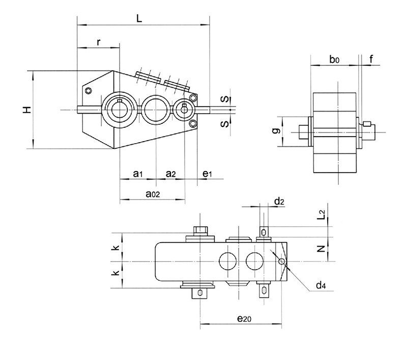
四、外形及安裝尺寸

五、規格參數
